AL-76864 | GRIP

(No reviews yet) Write a Review
SKU:
76864
Please Call for Pricing and Availability: (800) 323-4282

 

 

For California residents only:
⚠ WARNING: Cancer and Reproductive Harm - www.P65Warnings.ca.gov

Description

Description:

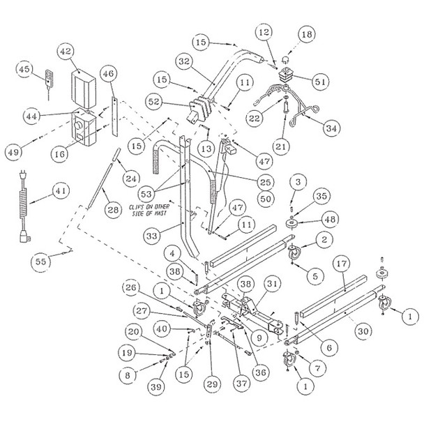
Grip

Please Note: Actual part shown in diagram as Figure #25

Specifications:

  • Fits Hoyer Lift Model HPL402

ACTUAL PRODUCT & COLORS MAY VARY FROM WHAT IS SHOWN

View AllClose